Follow @tecn_preocupado
Al hilo del vídeo que ha colgado Galiciaverde en el hilo sobre Fukushima…no he podido resistirme a comentar algunos datos interesantes para observar la hipocresía que encierra TEPCO mostrándonos una raja de chichinabo sabiendo que desde el principio ese reactor nuclear tenia un montón de fallos de diseño.
Iniciado por Galiciaverde
Nota UTP. Por si se pierde el video dejaré una copia por aqui, ya que aunque es un video que han visto menos de 500 personas y lleva desde 2014 ya saben que por donde yo paso la hierba desaparece.

Tepco’s reactor1 torus room investigation 6/11/2014 – YouTube
[Video] Dentro del Reactor 1 sala del toro, punto de fuga no identificada. El artículo, además del vídeo, trae bastantes fotografias: [Video] Inside Reactor1 torus room, leakage point not identified | Fukushima Diary
Tepco investigó la estancia del toro del Reactor nº1 el 06/11/2014. El toro es el espacio donde se contiene la instalación refrigerante en forma de rosquilla del reactor.
Este mes de mayo, Tepco identificó a uno de los puntos de fuga de agua de refrigeración de la vasija. (Cf, [Video] Tepco identificó una parte se escapa en la vasija del reactor 1 . Las tuberías están oxidadas y comenzando a deteriorarse)
Con el fin de identificar el siguiente punto de fuga, donde el agua refrigerante fugado sale al edificio de la turbina, Tepco corrió otro robot investigación de Hitachi-GE Energía Nuclear, LTD encima de la cámara de supresión.
Sin embargo a partir de la investigación de la inspección visual y también mediante el uso de trazadores (partícula de arcilla), no encontraron el agua que se mueve a partir de 2 de 5 partes de una junta de las tuberías.
El resto de 3 partes de una junta no podría ser investigada debido a los obstáculos.
Tepco ha preguntado por qué no lo hacen del agua refrigerante de color para trazar la parte con fugas, y también para ver a la fuga hacia el Pacífico por varios medios de comunicación. Tepco no ha puesto en práctica o incluso explicado por qué no lo hacen.
Vamos a llamar las cosas por su nombre: ENORME CHAPUZA.
El reactor 1 de Fukushima es un reactor MADE IN USA, uno de los primeros modelos de tipo BWR o sea de agua en ebullición. Muy parecido a este.

En los BWR se necesita menos presión que en los PWR (reactores de agua a presión) y tal y como presume el fabricante, GE, se tiende a lo simple.

La parte de abajo de la estructura en forma de bombilla invertida (contención primaria o Drywell Containment Vessel) se llama cámara de supresión o Toro de supresión. Como su nombre indica esta diseñado para suprimir la presión.
Aquí lo podéis ver mas en detalle…

Sea como fuere las imágenes que nos han enseñado no pertenecen ni a las tuberías principales de comunicación del Drywell con el toro marcadas por círculos rojos. Estas son tuberías de un grosor de aproximadamente 1m de diámetro. Tampoco son las tuberías internas elimina burbujas, así que…
¿Qué tuberías nos están mostrando estos de TEPCO?
Es totalmente imposible que hayan podido insertar una cámara dentro del propio toro. Así que se trata de una tubería supongo que auxiliar a dicho equipo, quizás alguna de alivio de agua, de rellenado de la misma u otra función.

Porque si se trata de las tuberías señaladas en rojo estamos ante un trabajo de lo mas chapucero, tanto por el diámetro de la tubería como por la forma de montaje.
La cuestión es que ya veis como esta montada dicha tubería.
Sin ningún tipo de refuerzo o sujeción en la entrada. Sin una placa de mayor grosor para fijar la soldadura, reforzada perpendicularmente con triángulos en angulo recto y evitar que la misma tenga que partirse por vibración o dilatación…cosa que parece ha pasado.

Esta es nuestra altisima tecnología nuclear…yo me pregunto ¿esa basura de instalación es la que encontraríamos en Garoña si nos dejasen inspeccionarla a fondo?
¿Como funciona el toro?
El toro esta en la parte de abajo y sirve solo para salvar la integridad estructural de la vasija del reactor por sobrepresión masiva (accidente LOCA (accidente con perdida de refrigeración principal) y/o similar).
Para pequeñas sobrepresiones de vapor la tapa superior dispone de unas válvulas de alivio, pero para una sobrepresión accidental masiva (como ha sido el caso del reactor 1 de Fukushima) hay que soltar una gran cantidad de vapor por las válvulas antiretorno de que disponen las tuberías que conectan el toro con el fondo de la vasija (las tuberias que os marcado con circulo rojo, y que normalmente se abren con explosivos).
Dicho vapor se hace pasar por unos «quenchers» o boquillas (circulo azul) a la parte de abajo del mismo donde hay agua para romper las burbujas de vapor y neutralizar la presión. Para esto también hay unos deflectores para impedir el efecto «golpe de ariete» y dejar salir el vapor ya sin fuerza a una piscina de condensación. Según los datos técnicos, este sistema es eficaz para filtrar hasta un 99% de radionucleidos (los solidos, no los diluidos en el agua o el vapor) y que se queden en el agua del fondo del toro.
¿Se montaron los toros desde el primer reactor BWR?
Pues no, de la manera definitiva no se hizo hasta bien pasados los 80…por ello hablo claramente de ENORME CHAPUZA que tuvieron que subsanar ampliando el drywell en caso de sobrepresión con este donut.
En este informe de GE se explica http://www.nei.org/filefolder/Report…03192011_2.pdf como se diseñó el Mark I, como se dieron cuenta de que habría que implementarle algunas medidas extra de seguridad y como se le notificó a la NRC americana y GE “se lavó las manos” como Poncio Pilato. Este informe que filtro la misma GE (yo lo conseguí de una web interna donde otros compañeros estaban comentando el accidente) salio al mercado poco después del terrible accidente de Fukushima, el fechado de creación del documento es del 19 de marzo de 2011.
Por desgracia si pincháis en ese enlace os aparecerá esto…

Ya sabéis la manía que tienen las cosas interesantes a desaparecer del mapa…por suerte yo guarde una copia que podéis descargar de mi servidor.
Informe de GE sobre BWR Mark I
Allí podréis leer como:
«La respuesta de la vasija de presión del reactor y el reactor en general estuvo de acuerdo con estudios de gestión de accidentes severos realizados en la década de 1980 y principios de 1990» (tecnología punta…ahora veremos cuando fue diseñado ese pepino…que quieren ampliar otros 20 años mas en Garoña)
Pero el diseño original de los reactores BWR con contención Mark I era:
«Las cargas de diseño originales para la contención se basaron en pruebas de gran escala realizadas por GE y otras instituciones. El propósito de estas pruebas iniciales, realizadas entre 1958 y 1962, fue demostrar la viabilidad del concepto de la presión de supresión para el diseño de contención del reactor.» (aquí tan solo se contaba con una piscina de supresión fuera del propio reactor…todavía no se habían instalado los toros)
Y no fue hasta una década después que se dieron cuenta de que la presión dentro de la contención primaria podía partir en dos la «tetera atómica». Lo pongo en ingles…para que no pierda la traducción:
«EVOLUTION OF THE DESIGN
After the establishment of the original design criteria, additional loading conditions were identified which arise in the functioning of the pressure-suppression concept used in the Mark I containment system design.
These conditions were noted in the course of performing large-scale
testing of an advanced design pressure-suppression containment (Mark III). Specifically, during the large-scale testing of the Mark III containment system design in the period 1972 through 1974, new suppression pool hydrodynamic loads were identified for the postulated LOCAs. GE
tested the Mark III containment concept in its Pressure Suppression Test Facility (PSTF).These tests were initiated for the Mark III concept because of configuration differences between the previous containment concept and the Mark III design. More sophisticated instrumentation was available for the Mark III tests, as were computerized methods for data analysis. It was from the PSTF testing that the short-term dynamic effects of drywell air being forced into the pool in the initial stage of the postulated LOCA were first identified. This air injection into the suppression pool water results in a pool swell event of short duration. In this event, a slug of water rises and impacts the underside of structural components within the suppression chamber. «
Vamos que se podían romper…asi que tuvieron que reevaluar los reactores que ya estaban en funcionamiento como este de Fukushima:
«Además, durante las pruebas en la planta de contención Mark I, se identificaron nuevas cargas hidrodinámicas de la piscina de supresión que explícitamente no se habían incluido en las bases de diseño de contención Mark I inicial.Estas cargas adicionales son el resultado de los efectos dinámicos de aire pozo seco y el vapor se forzosos rápidamente en la piscina de supresión (toro) durante una LOCA postulado y de la respuesta de la piscina de supresión de la válvula de seguridad de operación (SRV) generalmente asociado a condiciones transitorias de la planta.»
Por todo esto ya en 1980 tan solo una década después de haberse puesto en marcha el reactor (supongo que esos 10 años tuvimos suerte), GE les envía un informe titulado «Mark I Containment Long-Term Program Safety Evaluation Report, NUREG-0661» para ver si cumplen con los criterios del fabricante previa aprobación por el NRC (nuestro CSN, centro de seguridad nuclear español)…y eso es todo. 
Tuvieron que hacer algunos arreglillos…los pongo en ingles:
Típica lista de cambios en el hardware del reactor:
o Torus: Additional ring girder reinforcement, Miter joint support saddles and saddle extension plates, Additional ring-girder-to-torus weld, Torus Temperature monitoring instrumentation, Torus tie-downs, Dynamic restraint snubbers
o Vent System: Downcomer/vent header stiffeners, Downcomer lateral bracing Downcomer longitudinal bracing, Vent header deflector, Vent line drain reinforcement, Torus-to-drywell vacuum breakers, and Vacuum breaker header support
o Internal Structures: Catwalk midbay supports, Catwalk lateral bracing, Catwalk supports at ring girders, Conduit rerouted
o Wetwell Piping Modifications (Internal): Spray header supports, HPCI turbine drain pot support, HPCI turbine exhaust line support, ECCS suction strainer reinforcement, LPCI full-flow test line supports, modify external supports
o Relief Valve Discharge Line Piping: Reinforced vent line penetration, Added T-quenchers, Added T-quencher supports, Added SRV line support, SRVDL vacuum breaker
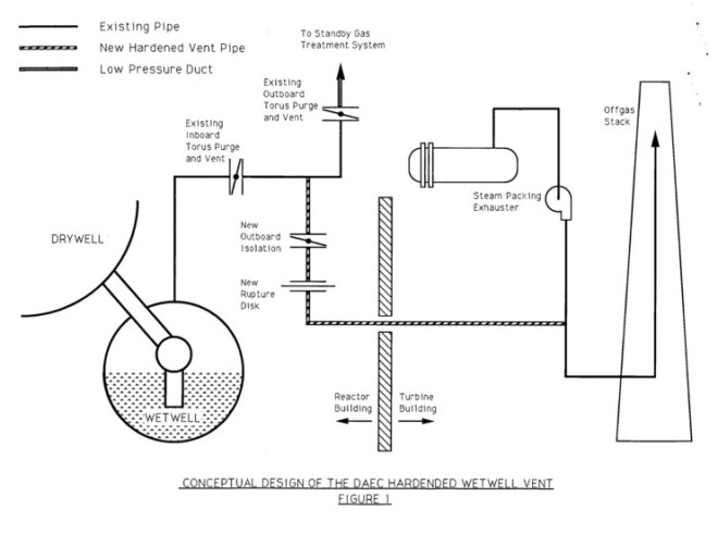
o Torus Hardened Vent
o Torus Vacuum Breaker orientation changes
o SRV operating – recommendations to minimize loading, discharge piping pressure switch, instrumentation to allow SRV position monitoring
Como veis no fueron solo algunas cosillas…
El tema de la ventilación endurecida significa que con los sistemas de alivio de presión que lanzaban basura radiactiva al aire no tenían bastante y necesitaban implementar esas pedazo de chimeneas que podéis ver en todas las centrales nucleares de este tipo y que esta previsto que en caso de daño estructural grave «liberen» a la atmósfera toda la basura radiactiva concentrada dentro de la contención.

Y nos sacan una tubería de chichinabo rajada…saludos.
Muchisimas gracias por llegar hasta aqui, les recuerdo que el caso por el que me piden más de 40 años de cárcel y 2.400.000€ de fianza sigue activo y mi abogado no para de trabajar en el caso.
Cualquier donativo por pequeño que sea será bienvenido.

Billetera de Bitcoin con número:
372VR9D3rXNyQk7Mg4sd99nyJhTinwUZ5p
CÓDIGO QR:

Deja un comentario